0
0
Все представленные в каталоге модели станков и оборудования являются нашими разработками и производятся исключительно ПОД ТОРГОВОЙ МАРКОЙ EVOLUTIONER™ 

Станок для изготовления гофроколена электрический

Снят с производства
Отзывы:
(0)
  • Производитель: ЭВОЛЮЦИОНЕР™
  • Модель: ГКа-3
  • Наличие: Немає в наявності

Вес: 351кг
Размер (ДхШхВ): 100см x 70см x 70см
170 000.00 грн.
Нашли дешевле?
  • Обзор товара
  • Характеристики
  • Видео
  • Отзывов (0)
  • Вопросы (0)
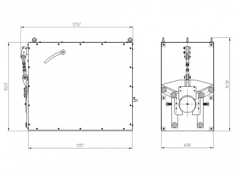
Станок для изготовления гофроколена универсальный предназначен для изготовления гофроколена на трубах круглого и прямоугольного сечения при производстве водосточных и вентиляционных систем различной геометрии и размеров. Гофроколено имеет прекрасный декоративный вид. По своему техническому исполнению станок является автоматическим, не использует пневматики, полностью электромеханический; работает от напряжения 380 В при температуре от –5 до + 45 град., потребляет 1,5 кВт/час; не требует специального помещения. Этот станок воплощает в себе, с одной стороны, простоту использования, с другой стороны, качество выпускаемых изделий.
Станок коленогиб является новейшим станком, запущенным в производство в 2011 году. На станке возможно изготовление гофрированного колена на трубах различных сечений за счет замены оснастки (рабочего инструмента).
В отличие от старых моделей аналогичных станков для производства гофрированного колена на тубах водосточных и вентиляционных систем, представленных на российском и украинском рынках, на одном станке можно производить широкий ассортимент колен с различными диаметрами. В станке производится смена инструмента для каждого диаметра в течение 10-15 минут. После смены инструмента не требуется никакая дополнительная настройка, ввиду того, что набор инструмента выполнен блочно и станок сразу после установки нового инструмента готов к работе. Это позволяет с помощью одного станка производить широкий ассортимент изделий и, соответственно, снизить затраты на покупку оборудования и уменьшить себестоимость получаемых изделий.
На данном станке можно изготавливать колена (гофроколена) из меди, нержавеющей стали (если даже есть сварной шов), из стали с лакокрасочным покрытием. По своему техническому исполнению станок для изготовления гофроколена является автоматическим. Получаемое в процессе производства гофроколено (колено) имеет прекрасный декоративный вид. Может использоваться не только в водосточной системе, но и для систем вентиляции.

Комплектация стандартная:

  • Универсальный станок для изготовления гофроколена
  • Паспорт и руководство по эксплуатации
  • Насадки для изготовления различных диаметров гофроколена (3шт.)

Дополнительная комплектация:

В дополнительный комплект поставки могут входить насадки для изготовления дополнительных диаметров (количество насадок не ограничено).

гофроколено, коленогиб

Характеристики
Материал
Толщина материала (мм) 0,7
Для круглой заготовки
Диаметр заготовки (мм) 40-200
Электрическая часть
Электропитание (В) 380
Видео
Отзывов (0)

Нет отзывов о данном товаре.

Вопросы (0)

Нет вопросов о данном товаре, станьте первым и задайте свой вопрос.

Вы смотрели
Снят с производства
0
170 000.00 грн.
Снят с производства
0
80 000.00 грн.
Снят с производства
2
67 000.00 грн.
Снят с производства
0
200 000.00 грн.
Хит продаж
0
77 000.00 грн.
Модули для Opencart