0
0
Все представленные в каталоге модели станков и оборудования являются нашими разработками и производятся исключительно ПОД ТОРГОВОЙ МАРКОЙ EVOLUTIONER™ 

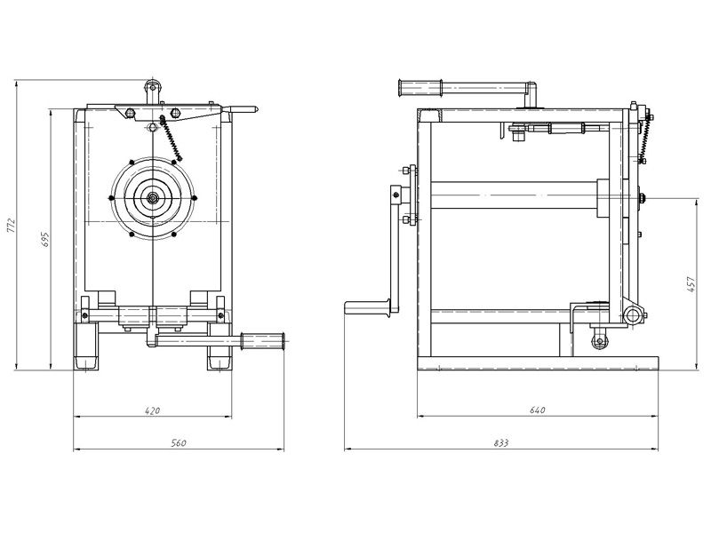
Универсальный ручной станок для изготовления гофроколена

Снят с производства
Отзывы:
(0)
  • Модель: СГ
  • Наличие: Немає в наявності

Вес: 121кг
Размер (ДхШхВ): 50см x 70см x 70см
100 000.00 грн.
Нашли дешевле?
  • Обзор товара
  • Характеристики
  • Видео
  • Отзывов (0)
  • Вопросы (0)

Универсальный ручной станок для изготовления гофроколена (коленогиб) предназначен для изготовления труб круглого диаметра от 90мм до 180мм методом последовательного гиба гофры на станке. Изготовленные трубы используются при монтаже водосточных  и дымоходных систем, вентиляционных элементов. Полученная в результате гофрирования труба имеет красивый декоративный вид . Количество гофр на изделии а так же расстояние между ними регулируются оператором вручную и предварительно устанавливаются до начала процесса гофрирования, задавая необходимый угол загиба получаемого изделия.

Станок предназначен для работы как с оцинкованным так и с крашеным металлом, не царапая изделие во время процесса гибки.  Станок для изготовления гофроколена является универсальным, что дает возможность на одном оборудовании изгибать трубы различных диаметров (от 90 до 150-180мм).  Для гофрирования трубы  другого диаметра на станке производится смена гибочной оснастки, после чего процесс гофрирования может быть возобновлен.

На универсальном ручном коленогибе для изготоления гофроколена формирование гофры происходит наружу в отличии от аналогичных станков других производителей  где гофра может формироваться и во внутрь трубы.  Возможен вариант изготовления станка с максимальным диаметром трубы до 150мм или до 180мм. Станок для изготовления гофроколена комплектуется насадками, количество и диаметры которых поставляются исходя из потребностей заказчика. 
Оборудование является ручным и не требует подключения к сети электропитания.  Обслуживающий персонал-1 человек

Дополнительная комплектация

В дополнительный комплект поставки могут входить насадки для изготовления дополнительных диаметров (количество насадок не ограничено)

Характеристики
Материал
Толщина материала (мм) 0,7
Для круглой заготовки
Диаметр заготовки (мм) 90-180
Видео
Отзывов (0)

Нет отзывов о данном товаре.

Вопросы (0)

Нет вопросов о данном товаре, станьте первым и задайте свой вопрос.

Вы смотрели
Снят с производства
0
100 000.00 грн.
Снят с производства
0
170 000.00 грн.
Снят с производства
0
80 000.00 грн.
Снят с производства
2
67 000.00 грн.
Снят с производства
0
200 000.00 грн.
Модули для Opencart